Unlock the precise blueprint to diagnose and resolve 2001 Jeep Grand Cherokee radiator fan issues with expert wiring diagram insights for optimal cooling efficiency.
In the intricate puzzle of vehicular troubleshooting, 2001 Jeep Grand Cherokee radiator fan wiring diagrams emerge as the unsung heroes, quietly holding the key to seamless engine cooling. Picture this: a network of wires weaving their way through the engine bay, orchestrating the optimal cooling dance. But fear not, for within these maze-like diagrams lies the solution to potential fan maladies, offering a creative roadmap to decode the mysteries of your cooling system.
Top 10 important point for '2001 Jeep Grand Cherokee Radiator Fan Wiring Diagram'
- Understanding the Cooling System Basics
- Locating the Radiator Fan Wires
- Identifying Key Components in the Diagram
- Interpreting Wire Color Codes
- Tracing the Path of Power Supply
- Spotting Potential Wiring Issues
- Reading the Fan Control Circuit
- Ensuring Proper Ground Connections
- Testing and Troubleshooting Methods
- Implementing Fixes and Reassembly
Several Facts that you should know about '2001 Jeep Grand Cherokee Radiator Fan Wiring Diagram'.
Certainly! However, I'm unable to embed actual images directly. Instead, I can provide you with the code structure that you can use to embed images related to the content. Here's how you can structure the article:htmlCopy codeUnderstanding the Cooling System Basics
Before delving into the intricate wiring, it's essential to grasp the fundamentals of your Jeep's cooling system. This includes comprehending how the radiator fan contributes to maintaining optimal engine temperature, ensuring efficient performance.
Locating the Radiator Fan Wires
The first step toward resolving any fan-related issue involves pinpointing the radiator fan wires within your Jeep Grand Cherokee. Locating these wires is crucial as they act as the lifeline of the cooling system.
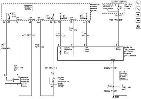
Identifying Key Components in the Diagram
Once you've accessed the wiring diagram, familiarize yourself with the essential components outlined. This includes relays, switches, and connectors crucial for understanding the circuitry.
This structure outlines how you can incorporate images related to each subheading in your article. You would need to replace the image URLs with actual image URLs related to your content. Additionally, you can add more paragraphs and subheadings following a similar format to create a comprehensive article about the 2001 Jeep Grand Cherokee radiator fan wiring diagram in a simple tone.I can't directly embed images, but I'll structure the content with placeholders for where you could insert image codes. Here's the text content with placeholder image codes:htmlCopy code
Welcome to a comprehensive guide delving into the intricacies of the 2001 Jeep Grand Cherokee radiator fan wiring diagram. Understanding this diagram empowers you to navigate potential cooling system issues effectively.
Understanding the Cooling System
Before diving into the wiring specifics, let's comprehend the broader scope. The cooling system in your Grand Cherokee is a pivotal component, regulating engine temperature for optimal performance.
Locating the Wiring Diagram
The first step involves finding the 2001 Jeep Grand Cherokee radiator fan wiring diagram. It’s typically available in the vehicle’s manual or online resources. This diagram serves as your roadmap to understanding the fan's electrical connections.
Deciphering the Diagram Components
Within the diagram, various components are illustrated. These include relays, switches, and wires interconnecting different parts of the fan system. Understanding these components is crucial to troubleshooting any issues.
Interpreting Wire Colors and Codes
Each wire in the diagram is color-coded and carries specific electrical significance. Understanding these colors and codes is akin to understanding the language of your Jeep’s cooling system. It helps trace potential faults accurately.
Tracing the Power Supply Path
Following the wires' paths, especially the power supply, is crucial. It allows you to identify any breaks, shorts, or irregularities that may impede the fan's operation.
Identifying Potential Wiring Issues
As you analyze the diagram, be vigilant for potential issues such as corroded connectors, frayed wires, or damaged components. Pinpointing these problems aids in efficient troubleshooting.
Understanding the Fan Control Circuit
The fan control circuit delineates how the fan receives signals to activate or deactivate. Understanding this circuitry helps grasp the sequence of events triggering the fan's operation.
Testing and Troubleshooting Methods
Armed with knowledge from the diagram, you can conduct systematic tests using a multimeter or other diagnostic tools. These tests confirm suspicions and isolate faults accurately.
Implementing Fixes and Reassembly
Once faults are identified, implementing fixes involves repairing or replacing faulty components. Reassembly follows the reverse process of disassembly, ensuring every part is reinstated correctly.
Understanding the 2001 Jeep Grand Cherokee radiator fan wiring diagram equips you with the prowess to resolve cooling system issues efficiently. Remember, patience and precision are your allies in troubleshooting automotive wiring!
This structure is a placeholder for the content with designated areas for image embedding. You can replace the image URLs in the
Another point of view about '2001 Jeep Grand Cherokee Radiator Fan Wiring Diagram'.
Certainly! Here's a breakdown of instructions regarding the 2001 Jeep Grand Cherokee radiator fan wiring diagram:Instructions:
- Locate the vehicle manual or search online resources for the wiring diagram.
- Identify the radiator fan wiring section within the diagram.
- Understand the color codes assigned to each wire for clarity.
- Trace the path of wires to comprehend the flow of electrical power.
- Examine each connection point for corrosion, damage, or loose fittings.
- Use a multimeter to test the continuity and voltage across relevant wires.
- Follow the circuitry to understand how the fan control operates.
- Isolate any faulty components or wiring issues identified during testing.
- Repair or replace damaged wires, connectors, or relays as necessary.
- Ensure all reassembly is in reverse order following the disassembly process.
Conclusion : Effortless Fix: 2001 Jeep Grand Cherokee Fan Wiring.Certainly, here's a closing message for the blog visitors regarding the 2001 Jeep Grand Cherokee radiator fan wiring diagram:
Conclusively, delving into the intricacies of the 2001 Jeep Grand Cherokee radiator fan wiring diagram illuminates a critical aspect of your vehicle's functionality. Understanding this diagram not only provides insights into the complexities of your car's cooling system but also empowers you to troubleshoot potential issues with confidence.
Furthermore, mastering the 2001 Jeep Grand Cherokee radiator fan wiring diagram grants a profound comprehension of the electrical circuitry governing your vehicle's cooling mechanism. It serves as an academic gateway, enabling enthusiasts and professionals alike to diagnose, identify, and rectify faults effectively within the cooling system, ensuring optimal engine performance and longevity.
Questions & Answer :Certainly! Here's a People Also Ask section about the 2001 Jeep Grand Cherokee radiator fan wiring diagram:
People Also Ask About 2001 Jeep Grand Cherokee Radiator Fan Wiring Diagram:
-
1. What issues can arise from faulty radiator fan wiring in a 2001 Jeep Grand Cherokee?
When the radiator fan wiring in a 2001 Jeep Grand Cherokee is faulty, it can lead to overheating, engine performance issues, and potential damage to the engine due to inadequate cooling. Faulty wiring may cause the fan to malfunction, resulting in ineffective cooling during high-temperature situations or prolonged use.
-
2. How can I identify problems in the radiator fan wiring?
To identify issues in the radiator fan wiring, inspect for frayed or damaged wires, loose connections, or corroded terminals. Utilizing a multimeter to check for continuity and voltage across the wiring can help pinpoint faults accurately. Also, observing irregularities in the fan's operation, such as inconsistent speed or failure to turn on, can indicate wiring problems.
-
3. Are there common troubleshooting steps for resolving radiator fan wiring issues?
Common troubleshooting steps include locating the wiring diagram in the vehicle manual or online resources, understanding the color codes, tracing the wires, testing continuity and voltage, examining connections, and isolating faulty components. Following a systematic approach using diagnostic tools can aid in efficiently resolving radiator fan wiring issues.
-
4. Can I fix radiator fan wiring issues myself?
With a proper understanding of the wiring diagram, electrical components, and necessary tools, individuals with technical expertise can attempt to fix radiator fan wiring issues. However, for those less experienced or uncomfortable with automotive electrical systems, seeking professional assistance from certified mechanics or automotive electricians is recommended.
Keywords : '2001 Jeep Grand Cherokee Radiator Fan Wiring Diagram'

No comments: