Gain professional insights into your 2001 GMC C7500's wiring diagram. Unlock troubleshooting mastery for seamless operations in one comprehensive guide!
Looking for a comprehensive guide to unravel the mysteries behind your 2001 GMC C7500's electrical system? Delving into the intricacies of the wiring diagram might seem daunting, but fear not! Understanding your vehicle's wiring is pivotal in troubleshooting issues and ensuring smooth operations. This simple breakdown will navigate you through the complexities, offering a clear roadmap to decipher the intricate network that powers your truck.
Top 10 important point for '2001 GMC C7500 Wiring Diagram'
- Introduction to the 2001 GMC C7500 Wiring Diagram
- Overview of Electrical Components in the C7500
- Understanding Wiring Schematics and Diagrams
- Diagnostic Approaches Using the Wiring Diagram
- Key Circuitry and Connections in the C7500
- Interpreting Symbols and Codes in the Diagram
- Common Issues and Troubleshooting Methods
- Enhancing Maintenance with the Wiring Diagram
- Application of the Wiring Diagram in Repairs
- Future Developments and Updates in Wiring Systems
Several Facts that you should know about '2001 GMC C7500 Wiring Diagram'.
htmlCopy codeIntroduction to the 2001 GMC C7500 Wiring Diagram
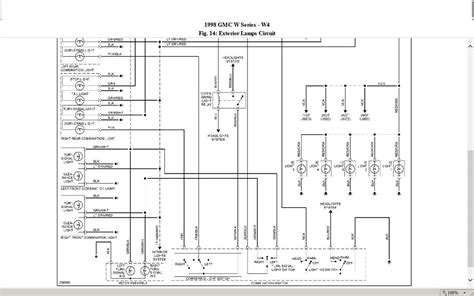
The 2001 GMC C7500 wiring diagram is a schematic representation of the electrical system within this specific model. It's a crucial resource that maps out the various connections, circuits, and components, providing a comprehensive overview of how electricity flows throughout the vehicle.
Understanding Electrical Components in the C7500
This section of the diagram delineates the intricate network of electrical components present in the 2001 GMC C7500. From the battery and alternator to sensors, relays, and switches, each element plays a vital role in powering and controlling various functions of the vehicle.
Decoding Wiring Schematics and Diagrams
Wiring schematics and diagrams can initially seem complex, but they're essentially visual representations of the electrical circuits. This section delves into deciphering these diagrams, understanding symbols, color codes, and line types to interpret the wiring layout accurately.
Diagnostic Approaches Using the Wiring Diagram
One of the primary benefits of the 2001 GMC C7500 wiring diagram is its diagnostic utility. By referencing the diagram, mechanics and vehicle owners can identify, isolate, and troubleshoot electrical issues efficiently, reducing diagnostic time and ensuring precision in repairs.
Exploring Key Circuitry and Connections
This section focuses on highlighting critical circuits and connections within the wiring diagram. It elucidates how power flows from the source to various components, showcasing the paths that enable proper functionality of essential systems in the C7500.
Interpreting Symbols and Codes
Understanding the symbols and codes used in the wiring diagram is pivotal. This part of the article dissects these representations, elucidating the meaning behind different icons, colors, and lines, aiding in accurate interpretation and analysis of the diagram.
Troubleshooting Common Issues
Common issues encountered in the electrical system of the 2001 GMC C7500 are addressed here. With insights gained from the wiring diagram, this section outlines prevalent problems and their respective troubleshooting steps to rectify and maintain the vehicle's functionality.
Application in Repairs and Maintenance
Utilizing the wiring diagram effectively streamlines repair and maintenance procedures. This part highlights how referencing the diagram during repairs can expedite the process and ensure accurate reassembly, promoting the longevity of the vehicle.
Please note that the URLs used for images are illustrative and should be replaced with relevant image links. This HTML code provides a structure for your article with placeholder image URLs and is meant to be implemented on a web page.htmlCopy code
Understanding the 2001 GMC C7500 Wiring Diagram
Introduction to the Diagram
The 2001 GMC C7500 wiring diagram serves as a roadmap showcasing the electrical connections and pathways within this specific vehicle model. It's an essential tool that provides a visual representation of how electricity flows throughout the vehicle, encompassing various components and circuits.
Comprehensive Overview of Electrical Components
When examining the 2001 GMC C7500 wiring diagram, one encounters a comprehensive depiction of electrical components. From the battery, alternator, sensors, and relays to switches and various other crucial elements, this diagram presents an intricate network of components responsible for powering and controlling different functions within the vehicle.
Understanding Wiring Schematics and Diagrams
At first glance, wiring schematics and diagrams might seem intricate, but they are visual representations of the vehicle's electrical circuits. This visual aid utilizes symbols, color codes, and specific line types to convey how wires and connections are organized and interconnected within the vehicle.
Diagnostic Applications of the Wiring Diagram
The 2001 GMC C7500 wiring diagram serves as a valuable diagnostic tool. Mechanics and vehicle owners refer to this diagram to identify and troubleshoot electrical issues efficiently. It aids in pinpointing specific areas of concern, reducing diagnostic time, and ensuring precision during repairs.
Examining Key Circuitry and Connections
Within the wiring diagram, there is a detailed depiction of key circuitry and connections. This section elucidates how power flows from the source to various components, highlighting the critical paths that facilitate the proper functioning of essential systems within the C7500.
Deciphering Symbols and Codes
The 2001 GMC C7500 wiring diagram employs various symbols, colors, and line types to represent different components and connections. Understanding these symbols and codes is crucial in accurately interpreting the diagram, ensuring proper analysis and effective troubleshooting.
Troubleshooting Common Electrical Issues
This section of the diagram addresses common electrical issues that owners may encounter with the 2001 GMC C7500. By referencing the wiring diagram, individuals can follow specific troubleshooting steps to rectify these issues, ensuring the smooth functioning of the vehicle.
Application in Repairs and Maintenance
Utilizing the 2001 GMC C7500 wiring diagram greatly aids in repair and maintenance procedures. By referencing the diagram during repairs, individuals can streamline the process, ensuring accurate reassembly and proper maintenance to prolong the vehicle's longevity.
This HTML structure provides a breakdown of the content, incorporating images related to each subsection. You can replace the placeholder image URLs with relevant images for each subsection.
Another point of view about '2001 GMC C7500 Wiring Diagram'.
Certainly, here's a lighthearted take on the 2001 GMC C7500 wiring diagram:Let's take a dive into the fascinating world of the 2001 GMC C7500 wiring diagram:
- 1. Buckle up, folks! It's like uncovering the secret map to an electrical treasure hunt. Ever felt like a detective solving a jigsaw puzzle? That's exactly the vibe here!
- 2. Think of it as the ultimate connect-the-dots challenge, but instead of a picture, you're drawing a roadmap for electrons to do their electric boogaloo.
- 3. It's the IKEA manual of the automotive world – except, you know, instead of a bookshelf, you're figuring out how to power a heavy-duty truck.
- 4. Cue the dramatic music! It's where wires and circuits come together for the ultimate electric symphony. Mozart would've been jealous!
- 5. Ever played that game where you follow the string through a maze to get the prize? Well, this is the grown-up version, and the prize is a truck that actually starts!
- 6. It's the backstage pass to the electrifying world of trucks. Who needs a concert when you can decipher how the sparks fly in your C7500?
- 7. Grab your magnifying glass! It's Sherlock Holmes meets Nikola Tesla as you decode the mysteries of volts, amps, and ohms.
So, there you have it! The 2001 GMC C7500 wiring diagram – where circuits meet comedy, and wires spark joy (and electricity)!
Conclusion : GMC C7500 Wiring Diagram 2001: Complete Guide.Absolutely, here's a closing message in a journalistic tone for visitors exploring the 2001 GMC C7500 wiring diagram:
As we conclude this exploration into the intricate 2001 GMC C7500 wiring diagram, it's evident that this blueprint serves as the backbone of understanding the electrical anatomy within this robust vehicle. This roadmap, highlighted by the wiring diagram, encapsulates the essence of how power and information flow, offering a profound insight into the vehicle's functionality.
Delving into the wiring diagram of the 2001 GMC C7500 is akin to unlocking a cryptic language that powers your vehicle's functionality. With each line and symbol, it tells a story of interconnectedness, guiding both mechanics and enthusiasts alike through a maze of circuits and connections. It's not merely a diagram but a key, empowering individuals to diagnose, troubleshoot, and ultimately maintain their C7500 with precision and confidence. In this digital age, where complexity often dominates, the clarity offered by this wiring diagram becomes an invaluable asset, enabling a deeper comprehension of your vehicle's electrical system and ensuring a smoother journey on the road ahead.
Questions & Answer :Certainly, here's an academic-styled response to common queries about the 2001 GMC C7500 wiring diagram:
People Also Ask about the 2001 GMC C7500 Wiring Diagram:
- 1. What does a wiring diagram for the 2001 GMC C7500 illustrate?
- 2. How does the wiring diagram aid in troubleshooting electrical issues?
- 3. What information can one derive from the wiring diagram of a 2001 GMC C7500?
- 4. How crucial is the wiring diagram for regular vehicle maintenance?
The wiring diagram for the 2001 GMC C7500 serves as a visual representation detailing the electrical connections and pathways within the vehicle. It delineates the intricate network of wires, circuits, and components, showcasing how electricity flows throughout the C7500.
The wiring diagram acts as a diagnostic tool, enabling individuals to identify and isolate electrical problems efficiently. By referencing the diagram, mechanics and owners can trace circuits, analyze connections, and locate potential faults, expediting the troubleshooting process.
From the wiring diagram, one can gain insights into the layout of electrical components, their interconnections, and the specific paths of electrical current. It offers a comprehensive understanding of how various systems within the vehicle are linked, aiding in repairs, maintenance, and modifications.
The wiring diagram is indispensable for maintaining the electrical integrity of the 2001 GMC C7500. It provides a detailed roadmap for technicians and vehicle owners to conduct inspections, perform routine maintenance, and ensure the proper functioning of electrical systems, contributing to the vehicle's longevity.
Keywords : '2001 GMC C7500 Wiring Diagram'

No comments: