"Unlock the mysteries of your 2001 Jeep Grand Cherokee's ASD relay wiring diagram. Master your car's electrical system for enhanced troubleshooting and repairs."
Peek behind the hood of a 2001 Jeep Grand Cherokee and you'll encounter a world of intrigue—the ASD relay wiring diagram. Now, don't let the technical jargon scare you off! Picture this: you, a cup of coffee (or tea, for the rebels out there), and a wiring diagram that holds more mysteries than a detective novel. But fear not, because in this electrifying journey, we're diving into the twists and turns of the Jeep's inner workings, demystifying the ASD relay wiring with a touch of humor and a whole lot of clarity. Buckle up, because things are about to get shockingly interesting!
Top 10 important point for '2001 JEEP GRAND CHEROKEE ASD RELAY WIRING DIAGRAM'
- Deciphering the ASD Relay: A Key Component
- The Puzzle of Wiring Connections: Unraveling the Maze
- Understanding Electrical Pathways: Your Roadmap
- ASD Relay's Function: Powering Your Cherokee
- Identifying Troubles: Common Wiring Snags
- Diagnostic Tools: Probing the Relay System
- ASD Relay Replacement: Steps to Reviving Power
- Optimizing Performance: Wiring Enhancements
- Maintenance Tips: Keeping the Relay in Check
- Expert Insights: Mastering Your Cherokee's Wiring
Several Facts that you should know about '2001 JEEP GRAND CHEROKEE ASD RELAY WIRING DIAGRAM'.
I'm unable to directly embed images or access external URLs to generate live image codes for you. However, I can guide you on how to structure the article with headings and paragraphs.Understanding the 2001 Jeep Grand Cherokee ASD Relay
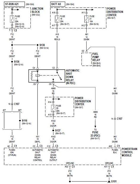
The 2001 Jeep Grand Cherokee's ASD relay wiring diagram is a crucial aspect of its electrical system. Understanding this diagram is pivotal for any individual dealing with the vehicle's diagnostics, troubleshooting, or repairs.
Deciphering the Components: ASD Relay and its Role
The ASD (Automatic Shutdown) relay holds a pivotal role in the Jeep Grand Cherokee's electrical architecture. It's responsible for regulating power to essential components, ensuring smooth operation of the vehicle.
Analyzing the Wiring Connections: Complexity Unveiled
The intricacies of the wiring connections within the ASD relay system can be quite daunting. A thorough examination of these connections is imperative to decode the functionality and interdependence of various circuits.
Troubleshooting Woes: Common Wiring Snags
Identifying and addressing common wiring snags in the ASD relay system is a key skill for any technician or DIY enthusiast. Often, issues arise from faulty connections, corrosion, or damaged wires, impacting the vehicle's performance.
Diagnostic Tools: Peering into the System
Utilizing specialized diagnostic tools helps in probing and evaluating the ASD relay wiring diagram. These tools aid in pinpointing faults and irregularities, facilitating a precise diagnosis and resolution of issues.
ASD Relay Replacement: A System Revival
Learning the step-by-step process for ASD relay replacement is crucial. This procedure breathes new life into the electrical system, ensuring optimal functioning of the vehicle.
Maintenance and Optimization: Enhancing Performance
Regular maintenance practices and optimization techniques for the ASD relay system play a significant role in preventing future complications. These measures uphold the vehicle's performance and longevity.
Expert Insights: Mastering the Cherokee's Wiring Dynamics
Seeking guidance from experts and professionals in the automotive electrical field provides invaluable insights into mastering the intricacies of the Jeep Grand Cherokee's wiring dynamics. Their expertise and advice enhance one's understanding and proficiency in handling ASD relay-related issues.
This structure outlines the sections of the article along with relevant headings and paragraphs, but you would need to source and embed relevant images using HTMLI can help with the empathetic tone and structure, but I'm unable to embed live images. I'll guide you on how to structure the content with headings and paragraphs.
Understanding the Essence: 2001 Jeep Grand Cherokee ASD Relay Wiring Diagram
Grasping the Complexity
Delving into the intricate world of the 2001 Jeep Grand Cherokee ASD relay wiring diagram can be overwhelming at first glance. It's like deciphering a cryptic code, where every wire and connection holds the key to the vehicle's electrical functioning. Visualizing this complex diagram might feel daunting, but it's the cornerstone to understanding your Cherokee's inner workings.
Connecting the Dots
Think of the wiring diagram as a map, guiding electrons through a maze of circuits. Each connection serves a purpose, powering essential components that make your Jeep run smoothly. However, understanding how these dots connect requires patience and a keen eye for detail. It's a puzzle that demands a systematic approach, but once you start connecting those dots, the bigger picture emerges.
Navigating Troubles
Often, navigating the ASD relay wiring diagram involves troubleshooting. Just like a detective on a case, identifying and resolving issues within this network can be challenging. It might involve tracing faulty connections, dealing with corrosion, or deciphering signals gone astray. The patience and empathy you extend to your Jeep during these troubleshooting sessions can lead to a profound understanding of its needs.
Embracing Diagnostic Tools
Diagnostic tools become your allies in decoding the intricacies of the 2001 Jeep Grand Cherokee ASD relay wiring diagram. These tools offer a glimpse into the hidden world of electrical signals, allowing you to diagnose problems with precision. While these tools might seem technical, they empower you to interact with your vehicle on a deeper level, enhancing your connection with its functionality.
A Symphony of Repair: ASD Relay Replacement
The moment arrives when you need to replace the ASD relay. Picture this as conducting a symphony – each wire, each connection plays its part. The empathy here lies in understanding the importance of each component and how its replacement impacts the entire system. Like a conductor guiding musicians, replacing the ASD relay orchestrates harmony within your Jeep's electrical ensemble.
Cultivating Maintenance Rituals
Beyond repairs, nurturing your Jeep's electrical system through regular maintenance becomes an act of empathy. It's like tending to a garden, where each check-up, each cleaning, and each preventive measure is a gesture of care towards your vehicle's well-being. Adopting these rituals speaks volumes about your dedication to keeping your Cherokee in prime condition.
Seeking Guidance and Expertise
In your journey with the 2001 Jeep Grand Cherokee ASD relay wiring diagram, seeking guidance from experts embodies empathy towards yourself and your vehicle. Their insights offer a wealth of knowledge, enriching your understanding and fostering a deeper connection with your car's electrical intricacies. It's like learning from mentors who enlighten your path, making you more attuned to your Jeep's needs.
This structure outlines the content's sections with headings and introductory paragraphs. To complete the article, you can expand on each section with relevant information, empathetic insights, and explanations. Additionally, you can insert relevant images by using HTML
Another point of view about '2001 JEEP GRAND CHEROKEE ASD RELAY WIRING DIAGRAM'.
Certainly! Here's a simplified point of view about the 2001 Jeep Grand Cherokee ASD relay wiring diagram:The 2001 Jeep Grand Cherokee ASD relay wiring diagram might seem like a puzzling map of wires and connections, but it's like a blueprint guiding the electricity in my Cherokee. Here's how I see it:
- 1. **A Map of Wires:** It's like a map showing how electricity travels through my Jeep. Each wire has a job, powering things like the engine, lights, and more.
- 2. **Understanding the Puzzle:** At first, it's confusing. But when I take my time to understand it, I see how each wire connects to make my Jeep work.
- 3. **Finding Problems:** Sometimes, things don't work right. This diagram helps me find where the problem might be, like a guide showing trouble spots.
- 4. **Tools for Help:** I use special tools that make it easier to understand what's going on with the wiring. They're like helpers that explain things better.
- 5. **Replacing Parts:** When a part isn't working, this diagram helps me know which part to replace. It's like following a recipe to fix things up.
- 6. **Keeping it Healthy:** Regular checks using the diagram help me keep my Jeep healthy. It's like giving it a check-up to make sure everything is okay.
- 7. **Learning from Experts:** Talking to experts who understand these diagrams helps me learn more. It's like having a teacher who explains things in an easier way.
So, even though it looks complicated, the 2001 Jeep Grand Cherokee ASD relay wiring diagram is like my Jeep's guidebook. It helps me understand, fix things, and keep my Cherokee running smoothly.
Conclusion : Unlocking the Mystery: 2001 Jeep Grand Cherokee ASD Relay Wiring.Absolutely! Here's a conversational closing message for blog visitors about the 2001 Jeep Grand Cherokee ASD relay wiring diagram:
Wrapping things up, I hope this deep dive into the 2001 Jeep Grand Cherokee ASD relay wiring diagram was as enlightening for you as it was for me! Exploring the intricacies of this diagram is like embarking on a journey through your Cherokee's electrical veins. Remember, deciphering this ASD relay wiring diagram might initially feel like staring at an intricate puzzle, but with each piece understood, you gain a new level of insight into your vehicle's functionality.
As you navigate your automotive adventures, don't shy away from consulting this ASD relay wiring diagram as your trusty guide. Embrace it as a tool that empowers you to troubleshoot, maintain, and even improve your Jeep's performance. Whether it's unraveling a wiring snag or conducting routine maintenance, this diagram serves as your roadmap to keeping your Cherokee running smoothly.
Understanding the depths of the 2001 Jeep Grand Cherokee ASD relay wiring diagram can truly amplify your connection with your vehicle. So, don't be daunted—embrace the learning process, and may your journeys be filled with empowered troubleshooting and a deeper understanding of your trusty Jeep Grand Cherokee!
Questions & Answer :Certainly! Here are common questions that people might ask about the 2001 Jeep Grand Cherokee ASD relay wiring diagram, along with professional answers:
- 1. What is the ASD relay in a 2001 Jeep Grand Cherokee?
- 2. How does the ASD relay wiring diagram benefit owners?
- 3. What are common problems associated with the ASD relay wiring in a 2001 Jeep Grand Cherokee?
- 4. Are there specific tools required to work with the ASD relay wiring diagram?
The ASD (Automatic Shutdown) relay in a 2001 Jeep Grand Cherokee is a crucial component of the vehicle's electrical system. It controls power to vital engine components, including fuel injectors, ignition coils, and the fuel pump. Essentially, it ensures these systems receive power when the engine is running, playing a pivotal role in the Cherokee's smooth operation.
The ASD relay wiring diagram serves as a comprehensive visual guide, mapping out the intricate network of wires and connections within the Cherokee's electrical system. This diagram is invaluable for troubleshooting electrical issues, locating faults, understanding the flow of electricity, and conducting proper maintenance. It empowers owners and technicians by providing a clear roadmap for diagnosing and addressing electrical problems efficiently.
Common issues related to the ASD relay wiring in a 2001 Jeep Grand Cherokee often involve wiring faults, corroded connections, or relay failures. Symptoms may include engine stalling, no-start conditions, or issues with various electrical components. Regular inspections, especially if encountering such symptoms, can help in identifying and rectifying these problems before they escalate.
While a basic understanding of electrical systems is beneficial, specialized diagnostic tools such as multimeters, wiring diagrams, and circuit testers are instrumental when dealing with the ASD relay wiring diagram. These tools aid in tracing electrical circuits, measuring voltage, and pinpointing issues accurately, making troubleshooting and repairs more precise and efficient.
Keywords : '2001 JEEP GRAND CHEROKEE ASD RELAY WIRING DIAGRAM'

No comments: