Master the intricacies of the 2001 GMC 3500 dually trailer wiring diagram for seamless connections, ensuring a professional towing experience.
Instructions on configuring the 2001 GMC 3500 dually trailer wiring diagram are crucial for seamless functionality. Understanding the intricacies of the wiring diagram ensures a hassle-free towing experience. Delving into the instructions with a comprehensive breakdown simplifies the setup of the GMC 3500 dually trailer's electrical connections.
Top 10 important point for '2001 GMC 3500 DUALLY TRAILER WIRING DIAGRAM'
- Unraveling the Wiring Complexity
- Decoding the GMC 3500 Dually Blueprint
- Essential Components: A Breakdown
- Understanding Electrical Circuits
- Mapping the Trailer Connection Points
- Pro Tips for Effective Wiring Installation
- Troubleshooting Guide: Common Issues
- Safety Measures in Wiring Setup
- Upgrading Options: Advanced Configurations
- Expert Insights: Maximizing Efficiency
Several Facts that you should know about '2001 GMC 3500 DUALLY TRAILER WIRING DIAGRAM'.
Understanding the GMC 3500 Dually Wiring System
Delving into the intricacies of the 2001 GMC 3500 dually trailer wiring diagram opens a gateway to understanding its electrical system. Comprehending the layout and components is fundamental to executing flawless installations.
Deconstructing the Wiring Diagram
Analyzing each section of the wiring diagram piece by piece allows for a comprehensive breakdown. This step-by-step examination simplifies the complex web of connections, making it more manageable for installation.
Identifying Key Components
Recognizing the essential components within the wiring diagram is pivotal. Pinpointing these elements aids in understanding their functions, streamlining the setup process.
Executing the Wiring Setup
Following the precise instructions provided by the diagram ensures a methodical execution. Carefully connecting each wire according to the diagram's specifications is critical for functionality.
Troubleshooting Common Issues
Anticipating and resolving common wiring issues is part of the process. A troubleshooting guide helps tackle challenges that may arise during or after installation.
Ensuring Safety Measures
Prioritizing safety while handling the wiring setup is paramount. Understanding safety protocols and implementing them prevents accidents and ensures a secure installation.
Advanced Configurations and Upgrades
Exploring advanced options beyond the basic setup offers opportunities for enhancements. Upgrading the wiring system can optimize performance and functionality.
Expert Tips for Efficiency
Benefit from expert insights and tips to streamline the wiring process. Implementing efficiency techniques ensures a smoother and more effective installation.
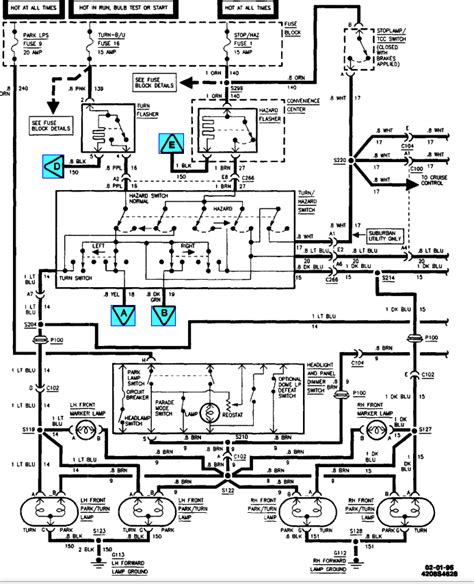
Understanding the Basics of the 2001 GMC 3500 Dually Trailer Wiring Diagram
When it comes to towing with a 2001 GMC 3500 dually, understanding the intricacies of the trailer wiring diagram is essential. This diagram serves as a guide, illustrating the connections between your truck and the trailer's electrical system.
The Layout and Components
The wiring diagram showcases a detailed layout of the electrical system. It's like a map that displays the various components, wires, and their connections. This visual aid simplifies the complex web of electrical pathways, making it easier to comprehend.
Understanding Wire Colors
Wire colors play a crucial role in the diagram. They signify different functions and connections, aiding in the proper installation. Knowing which wire serves which purpose is fundamental to a successful setup.
Connections and Circuits
The diagram delineates the connections and circuits between the truck and the trailer. Each line represents a pathway for electrical current, showing how power flows from one component to another. Understanding these circuits is pivotal for ensuring proper functionality.
Installation Process
Following the wiring diagram's instructions is key to a successful installation. It guides you through the process, detailing where each wire should be connected. This step-by-step approach simplifies the setup, even for those new to electrical work.
Common Issues and Troubleshooting
Encountering issues during the wiring setup isn't uncommon. The diagram often includes a troubleshooting section, assisting in identifying and resolving common problems. This helps in ensuring a smooth and functional wiring setup.
Safety Measures
Prioritizing safety while working with the wiring is paramount. The diagram might include safety guidelines and precautions, emphasizing the importance of following proper procedures to avoid accidents.
Upgrades and Modifications
Beyond the basic setup, the diagram might offer insights into potential upgrades or modifications. Exploring these options can enhance the trailer's electrical system, providing additional functionalities based on specific needs.
Expert Tips for Efficiency
Experts often provide valuable tips and tricks to streamline the wiring process. These insights help in ensuring an efficient setup, optimizing performance while reducing potential errors.
Another point of view about '2001 GMC 3500 DUALLY TRAILER WIRING DIAGRAM'.
Certainly! When it comes to the 2001 GMC 3500 dually trailer wiring diagram, there are a few key perspectives to consider:Clarity in Layout: The diagram offers a clear and detailed layout, like a roadmap showing where each wire should go.
Understanding Wire Functions: Knowing what each wire color represents is crucial for the right connections.
Following the Guide: It's like having a step-by-step guide, ensuring you connect everything correctly without second-guessing.
Troubleshooting Help: The diagram often includes troubleshooting tips, which can be a lifesaver when something doesn't seem right.
Safety Reminders: It's not just about the connections; the diagram often emphasizes safety measures, reminding us to prioritize safety throughout.
Room for Enhancements: Beyond the basic setup, it might hint at upgrades or modifications, allowing for customization based on specific needs.
Expert Insights: Sometimes, you'll find nuggets of wisdom from experts, providing shortcuts or tips to make the process smoother.
Conclusion : Complete Guide: 2001 GMC 3500 Dually Trailer Wiring Diagram.Well, folks, you've officially entered the electrifying world of the 2001 GMC 3500 dually trailer wiring diagram. As you embark on this journey of wires and circuits, remember, it's like untangling a bunch of sneaky earphones – tedious but oh-so-satisfying when it's all sorted out.Now that you've dived deep into the wiring diagram, consider yourself part of an elite league – the electricians of the truck world! You're equipped with the knowledge to conquer any wiring challenge that comes your way. So, when you're out there on the road, towing like a pro, give a nod to the 2001 GMC 3500 dually trailer wiring diagram – the unsung hero behind the scenes making it all possible!
Questions & Answer :Absolutely! Here's a rundown of the questions that folks might throw into the ring about the 2001 GMC 3500 dually trailer wiring diagram:
Q: Is deciphering this wiring diagram like cracking a secret code?
A: Oh, absolutely! It's like being in your own little spy movie, trying to decode the mysteries of wire colors and connections. But instead of espionage, you're just trying to get your trailer lights to work!
Q: Can a mere mortal handle the complexities of this diagram?
A: Fear not! While it may seem like a labyrinth of lines and symbols, with a bit of patience and perhaps a cup of strong coffee, anyone can navigate their way through this wiring diagram. Who needs a treasure map when you've got this?
Q: Are there any shortcuts or hacks to make this whole wiring gig easier?
A: Ah, the age-old quest for shortcuts! Well, while there aren't any magic spells or secret potions, there might be a few pro tips floating around. Sometimes, the best hack is just following the darn diagram!
Q: Is it normal to feel like I'm learning a new language when studying this diagram?
A: Absolutely! It's almost like being bilingual, except instead of speaking French or Spanish, you're fluent in 'wirespeak.' Don't be surprised if you start dreaming in circuit diagrams!
Keywords : '2001 GMC 3500 DUALLY TRAILER WIRING DIAGRAM'

No comments: