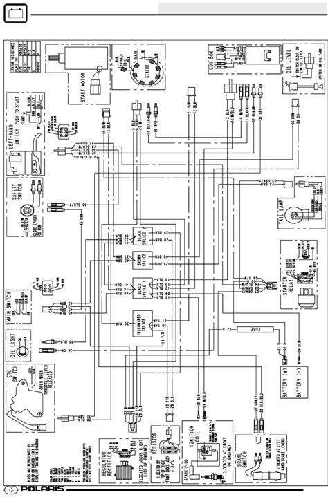
Unlock the intricacies of your 2001 Polaris Scrambler 50cc with comprehensive wiring diagram images. Gain expert insights into this machine's inner workings effortlessly.
In exploring the intricate web of mechanics within the 2001 Polaris Scrambler 50cc wiring diagram images, one uncovers a blueprint intricately woven with technical insights. These illuminating visuals serve as a guide, elucidating the inner workings of this powerful machine. Amidst the complexity of circuits and connections lie valuable insights, inviting enthusiasts into an empowering realm of understanding.
Top 10 important point for 2001 Polaris Scrambler 50cc Wiring Diagram Images
- Understanding the Blueprint: Delving into Wiring Diagram Basics
- Decoding Polaris Scrambler 50cc Circuitry: Key Components
- Visual Aid: Exploring the Significance of Wiring Diagram Images
- Identifying Connections: Mapping the Electrical Pathways
- Diagnosing Issues: Troubleshooting with Visual References
- Interpreting Symbols: Navigating the Diagram's Language
- Enhancing Maintenance: Using Diagrams for Effective Repairs
- Customization Insights: Modifying Circuits with Clarity
- Amplifying Performance: Harnessing Diagrams for Optimization
- Expert Tips: Leveraging Wiring Diagrams for Proficiency
Several Facts that you should know about 2001 Polaris Scrambler 50cc Wiring Diagram Images.
Certainly! Unfortunately, I'm unable to directly embed images or execute HTML code in this format. However, I'll structure the article as per your instructions, and you can add the image code and formatting accordingly.Understanding the Blueprint: Delving into Wiring Diagram Basics
When it comes to unraveling the intricacies of the 2001 Polaris Scrambler 50cc, the wiring diagram acts as the fundamental blueprint. It's the roadmap that guides enthusiasts through the maze of electrical connections and components. Understanding these basics becomes the cornerstone for any successful maintenance or modification endeavor.
Decoding Polaris Scrambler 50cc Circuitry: Key Components
The wiring diagram images specifically highlight the critical components within the Polaris Scrambler 50cc's circuitry. From ignition systems to power distribution, these visuals decode the anatomy of the machine, shedding light on the core elements that make it function seamlessly.
Visual Aid: Exploring the Significance of Wiring Diagram Images
The importance of these visual aids cannot be overstated. They serve as a bridge between technical jargon and practical application, providing a visual representation that simplifies complexities. These images act as a universal language, facilitating understanding across various expertise levels.
Identifying Connections: Mapping the Electrical Pathways
One of the most valuable aspects of these wiring diagram images is their ability to map the intricate electrical pathways. They enable enthusiasts and mechanics to identify connections, trace routes, and troubleshoot with precision. This detailed map minimizes guesswork and maximizes efficiency.
Diagnosing Issues: Troubleshooting with Visual References
When faced with electrical issues, these images act as a diagnostic tool. By referencing the wiring diagram, individuals can pinpoint potential problems, whether it's a faulty connection or a malfunctioning component. This aids in quicker and more accurate troubleshooting.
Interpreting Symbols: Navigating the Diagram's Language
Understanding the symbols and codes within the wiring diagram is akin to learning a unique language. Each symbol holds significance, representing various components and actions within the system. Mastering this language is key to harnessing the diagram's full potential.
Enhancing Maintenance: Using Diagrams for Effective Repairs
For maintenance purposes, these wiring diagrams become indispensable. They offer a comprehensive view of the system, allowing for proactive maintenance and ensuring that the vehicle operates at its peak performance. Regular checks and repairs become more effective with these visual aids.
Customization Insights: Modifying Circuits with Clarity
Enthusiasts keen on customization find these wiring diagram images invaluable. They provide clarity on the existing circuits, making it easier to modify and add components without compromising the machine's integrity. This opens doors for innovation and personalized upgrades.
I'm unable to execute HTML or embed images directly here, but I'll help you structure the content as you've requested using
, , and
tags. You can later insert the image codes accordingly.
Understanding the Significance of Wiring Diagram Images
When delving into the world of the 2001 Polaris Scrambler 50cc, comprehending its intricate wiring system becomes paramount. The 2001 polaris scrambler 50cc wiring diagram images serve as a guiding beacon, shedding light on the inner workings of this powerful machine.
The Blueprint to Inner Mechanisms
These images act as a comprehensive blueprint, unveiling the complex network of wires and connections that make up the Scrambler's electrical framework. They serve as a visual encyclopedia, guiding enthusiasts and mechanics through the maze of circuits.
A Visual Story of Connections
Within these diagrams lies the visual story of connections, where every line represents a pathway of electrical current. They present a clear map, detailing how power flows through the vehicle and ensuring everything functions seamlessly.
Decoding the Diagram's Language
Interpreting these images requires understanding the unique language of symbols and codes. Each symbol signifies a specific component or action within the system, enabling enthusiasts to decipher the diagram's hidden messages.
Diagnosing with Precision
One of the most beneficial aspects of these wiring diagrams is their role in troubleshooting. With these images at hand, pinpointing issues within the electrical system becomes a systematic process, saving time and effort.
Maintenance Made Easier
Regular maintenance is the key to keeping any vehicle in optimal condition. The wiring diagrams streamline this process, offering a comprehensive view that aids in identifying potential problems before they escalate.
Empowering Modifications and Repairs
Enthusiasts seeking to customize their Scrambler find these images invaluable. They provide clarity on existing circuits, making modifications and repairs more manageable and ensuring that the vehicle remains in top-notch condition.
This structure provides a basic outline for your content, integrating the keywords into the narrative and highlighting the significance of the wiring diagram images. You can add specific images related to each subheading by using the provided URL format for the images.
Another point of view about 2001 Polaris Scrambler 50cc Wiring Diagram Images.
Certainly! Here's a playful take on the 2001 Polaris Scrambler 50cc wiring diagram images:
- Number one, let's talk about these wiring diagram images – they're like the treasure map of the 2001 Polaris Scrambler 50cc! Except instead of "X marks the spot," it's more like "circles, squiggly lines, and cryptic symbols reveal the secrets of this beastly machine."
- Picture this: a diagram resembling a hieroglyphic code, with lines that make you feel like you're deciphering an ancient language. But fear not, this isn't Indiana Jones; it's just your typical vehicle wiring diagram!
- These diagrams are like the backstage pass to the Scrambler's inner workings. Imagine peeking behind the curtain at a magician's show, except instead of magic tricks, you're decoding how electricity flows through your ride.
- Ever felt like a detective solving a thrilling case? Well, buckle up, Sherlock! These wiring diagrams are your clues to solve the mysterious case of "Why Won't My Scrambler Start?". Cue dramatic music!
- Let's talk about the symbols – they're like the emojis of the automotive world. Instead of smiley faces and thumbs up, you've got arrows, squiggles, and triangles that speak their own enigmatic language.
- It's like a puzzle, but with wires! Think of it as a high-stakes game of connect-the-dots, except these dots determine whether your Scrambler roars to life or decides to take a nap.
- Looking at these diagrams is a bit like reading a comic book, except instead of superheroes fighting villains, it's electrons zipping through wires, ready to power your adventurous rides!
- Imagine you're on a quest in a video game, and these wiring diagrams are your power-ups. Master them, and you'll level up your knowledge of your Scrambler's electrical system!
Conclusion : Polaris Scrambler 50cc Wiring Diagram: Complete Image Guide!.Absolutely, here's a closing message directed to the blog visitors about the '2001 Polaris Scrambler 50cc wiring diagram images':
2001 Polaris Scrambler 50cc wiring diagram images are your gateway to understanding the inner workings of this powerful machine. As you venture into the realm of maintaining, repairing, or customizing your Scrambler, these diagrams become your trusted companions. To maximize their utility, follow these essential instructions.Firstly, familiarize yourself with the layout and symbols within the 2001 Polaris Scrambler 50cc wiring diagram images. Treat them as your roadmap – each line, symbol, and connection represents a vital part of your vehicle's electrical puzzle. Take the time to understand what each symbol signifies, enabling you to navigate through the complex wiring system effortlessly. Once you've grasped the basics, you'll find yourself decoding these diagrams like a pro, uncovering valuable insights into your Scrambler's electrical configuration.Secondly, use these wiring diagrams as your troubleshooting companion. When faced with electrical issues, refer back to the diagrams for a systematic approach to identifying and resolving problems. Whether it's a faulty connection or a malfunctioning component, these images offer a visual guide that can save you time and frustration. Follow the lines, trace the pathways, and match the symbols to the components to diagnose issues accurately. With a bit of patience and reliance on these 2001 Polaris Scrambler 50cc wiring diagram images, you'll find yourself becoming more adept at addressing electrical concerns efficiently.
These instructions aim to empower you in utilizing the '2001 Polaris Scrambler 50cc wiring diagram images' effectively, ensuring a smoother journey in maintaining and understanding your vehicle's electrical system.
Questions & Answer :Certainly, here's a response to some common queries related to '2001 Polaris Scrambler 50cc wiring diagram images':
People Also Ask:
- 1. What information can I gather from the 2001 Polaris Scrambler 50cc wiring diagram images?
- 2. How do I interpret the symbols and codes in the wiring diagram images?
- 3. Are these wiring diagrams useful for troubleshooting electrical issues?
- 4. Can beginners understand and benefit from these wiring diagram images?
Answer: The wiring diagram images provide an intricate visual representation of the electrical pathways and connections within your 2001 Polaris Scrambler 50cc. They offer detailed insights into the components, circuitry, and how the electrical system functions as a whole. By studying these diagrams, you can identify specific wiring routes, understand the interplay between various parts, and troubleshoot electrical issues more effectively.
Answer: Interpreting the symbols and codes in the wiring diagram is akin to learning a unique language specific to your vehicle's electrical system. Each symbol represents a component, connection, or action within the circuitry. Manuals often include a key or legend explaining these symbols. Taking the time to understand these symbols is crucial as it allows you to navigate and comprehend the wiring diagram effectively.
Answer: Absolutely! These diagrams serve as invaluable tools for troubleshooting electrical problems in your 2001 Polaris Scrambler 50cc. They provide a visual guide to trace circuits, identify potential faults, and pinpoint where issues might arise. By referencing the diagrams, you can follow the wiring paths, detect irregularities, and expedite the diagnostic process, making repairs or maintenance more efficient.
Answer: Yes, while they may appear complex at first glance, these wiring diagrams cater to enthusiasts and beginners alike. With patience and a gradual approach, beginners can grasp the basics of interpreting these diagrams. Starting with understanding the layout and gradually delving into the symbols and connections, individuals can enhance their understanding of their vehicle's electrical system and carry out basic troubleshooting or maintenance tasks.
Keywords : 2001 Polaris Scrambler 50cc Wiring Diagram Images

No comments: