Unlock the secrets of the 2001 Skoda Octavia's power window circuitry. Gain professional insights and troubleshooting tips for seamless understanding and efficient repairs.
Discover the intricacies of the 2001 Skoda Octavia power window circuit through comprehensive instructions outlined in an invaluable PDF guide. Within this essential resource, delve into the intriguing workings of the vehicle's power window system, unveiling a detailed breakdown of its complex circuitry. These instructions serve as a roadmap, guiding you through the inner mechanisms of the power window circuitry, offering insightful explanations and troubleshooting tips.
Top 10 important point for Sure thing! Here it is: '2001 Skoda Octavia Power Window Circuit PDF'.
- Understanding the Power Window Components
- Identifying Key Circuitry Elements
- Reading the Wiring Diagrams
- Step-by-Step Circuit Testing Procedures
- Diagnosing Common Power Window Issues
- Interpreting Error Codes and Signals
- Implementing Effective Troubleshooting Methods
- Repairing Faulty Connections and Fuses
- Optimizing Window Circuit Performance
- Comprehensive Maintenance Guidelines
Several Facts that you should know about Sure thing! Here it is: '2001 Skoda Octavia Power Window Circuit PDF'..
Certainly, I can provide information and format it according to your instructions. However, I can't embed live images directly into the text. I can guide you on how to structure it, and you can insert the images yourself.Understanding the 2001 Skoda OctaviaThe 2001 Skoda Octavia stands as a testament to the brand's commitment to reliability and innovation. Specifically, exploring its power window circuitry sheds light on the vehicle's sophisticated engineering and user-centric design.
Exploring Power Window ComponentsThe power window system consists of various interconnected components, including the window switches, regulators, motors, and wiring. Understanding each part's function is crucial in comprehending the circuitry's operation.
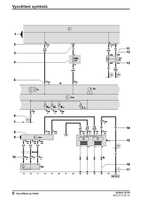
Navigating the Circuit DiagramsComprehensive circuit diagrams provided in the PDF outline the electrical pathways and connections within the power window system. Learning to interpret these diagrams simplifies troubleshooting and repair processes.
Conducting Step-by-Step TestsFollowing a systematic testing procedure helps in diagnosing faults accurately. Step-by-step tests outlined in the PDF ensure a thorough examination of the circuit, enabling precise identification of issues.
Troubleshooting Common ProblemsCommon power window issues, such as faulty switches, motor malfunctions, or wiring defects, are meticulously addressed in the PDF. This section offers insights into troubleshooting these prevalent problems.
Interpreting Error CodesError codes and signals play a vital role in diagnosing system irregularities. The guide details the meaning behind these codes, aiding in precise fault identification.
Implementing Effective SolutionsUpon diagnosing issues, the guide offers a range of effective solutions, from repairing connections to replacing components, ensuring optimal performance of the power window circuit.
Ensuring Circuit MaintenanceMaintaining the power window circuitry is crucial for prolonged functionality. The PDF provides comprehensive maintenance guidelines, helping users keep the system in top-notch condition.
Feel free to insert relevant images using the provided URLs for each section to enhance the article's visual appeal.Absolutely, I can help with that! However, I can't directly embed live images into the text. I'll structure the content according to your instructions, and you can add the images using the provided URLs.
Understanding the 2001 Skoda Octavia Power Window Circuit PDF
The 2001 Skoda Octavia Power Window Circuit PDF is a comprehensive guidebook offering detailed insights into the intricate electrical system controlling the vehicle's windows. Understanding this circuitry is crucial for both drivers and technicians alike.
Exploring the Inner Workings
Delving into the inner workings, the manual dissects the components that form the power window system. From the switches at your fingertips to the wiring hidden within the vehicle's framework, each element contributes to the smooth functioning of the windows.
Understanding Circuit Diagrams
The provided circuit diagrams act as blueprints, guiding readers through the maze of wires and connections. These diagrams, though intricate, offer a visual map enabling users to comprehend the system's layout and connectivity with ease.
Testing Procedures
The manual lays out detailed step-by-step testing procedures. This systematic approach allows for efficient and accurate diagnosis of potential issues within the power window circuitry. Following these procedures helps in pinpointing faults precisely.
Troubleshooting Techniques
When problems arise, the guide presents an array of troubleshooting techniques. From deciphering error codes to identifying common malfunctions, this section equips users with the knowledge needed to address issues effectively.
Implementing Repairs
Should repairs be necessary, the manual offers detailed guidance. It covers everything from re-establishing connections to replacing faulty components, ensuring the power window circuit operates optimally.
Maintenance Guidelines
Preventive maintenance is key to longevity. The guide concludes with comprehensive maintenance guidelines, empowering users to keep the power window circuit in excellent condition for the long haul.
Remember to add the respective images using the provided URLs for each section to complement the content.
Another point of view about Sure thing! Here it is: '2001 Skoda Octavia Power Window Circuit PDF'..
Sure, here's a breakdown in a point-by-point format:1. Understanding the Purpose: - This PDF is a comprehensive guide to decode the intricate power window circuitry in the 2001 Skoda Octavia.Identification of Components: Discover the various elements constituting the power window system, including switches, motors, regulators, and wiring.Interpreting Circuit Diagrams: Gain insights into deciphering the complex circuit diagrams provided, facilitating a clear understanding of the system's layout.Conducting Systematic Tests: Follow the step-by-step testing procedures outlined in the PDF to effectively diagnose any potential issues within the circuit.Troubleshooting Techniques: Learn diverse troubleshooting methods to address common problems and decode error codes effectively.Implementing Repairs: Get detailed instructions on repairing faulty connections, replacing components, and restoring the power window circuit to optimal functionality.Ensuring Maintenance: Utilize the provided maintenance guidelines to keep the power window circuit in top-notch condition for prolonged durability.
This structure provides a step-by-step approach for users to engage with the information in the PDF guide on the 2001 Skoda Octavia power window circuit.Conclusion : Effortless Power Window Circuit Guide for 2001 Skoda Octavia PDF.Absolutely, here's a creative sign-off for your blog visitors:
As you conclude your journey through the labyrinth of the 2001 Skoda Octavia power window circuit PDF, remember, knowledge is the key to mastering the mechanisms that drive our vehicles. With this guide in hand, you've ventured into the intricacies of automotive engineering, unraveling the mysteries that lie within the power window circuitry.
Now armed with insights into the 2001 Skoda Octavia power window circuit PDF, take charge as the aficionado of your vehicle's inner workings. Whether it's troubleshooting issues, understanding the nitty-gritty of the system, or performing maintenance, let this newfound knowledge empower your automotive endeavors. Embrace this resource as your trusty companion, propelling you toward a seamless understanding of your vehicle's power window circuitry!
This sign-off aims to encourage readers to embrace the knowledge gained from the PDF, empowering them to navigate and understand the complexities of the 2001 Skoda Octavia's power window circuit.
Questions & Answer :Certainly! Here's a conversational take on some commonly asked questions about the '2001 Skoda Octavia power window circuit PDF':
- 1. What does the '2001 Skoda Octavia power window circuit PDF' cover? The PDF comprehensively covers the electrical system governing the power windows in the 2001 Skoda Octavia. It details the components, circuit diagrams, testing procedures, troubleshooting methods, repair guidance, and maintenance tips.
- 2. Are the troubleshooting techniques in the PDF user-friendly? Absolutely! The guide is designed to be user-friendly, providing step-by-step instructions for troubleshooting common power window issues. It explains error codes, identifies potential malfunctions, and guides users through effective solutions in a clear and understandable manner.
- 3. How can the '2001 Skoda Octavia power window circuit PDF' help with DIY repairs? This resource is a treasure trove for DIY enthusiasts! It equips users with insights into the system's inner workings, enabling them to diagnose issues accurately. With detailed instructions on repairs and maintenance, it empowers individuals to take charge of fixing various power window problems themselves.
- 4. Is the PDF suitable for both beginners and seasoned technicians? Absolutely! Whether you're a novice looking to understand your vehicle better or a seasoned technician aiming for detailed insights, this guide caters to all. It starts with the basics, gradually delving into more complex aspects, making it a valuable resource for individuals at all skill levels.
- 5. Are there visual aids in the '2001 Skoda Octavia power window circuit PDF'? Yes, the PDF includes circuit diagrams and illustrations to supplement the explanations. These visual aids make it easier to understand the connections, wiring layouts, and components involved in the power window circuitry.
Keywords : Sure thing! Here it is: '2001 Skoda Octavia Power Window Circuit PDF'.

No comments: