Gain mastery over your vehicle's intricate systems with the comprehensive insights offered by the 2001 TJ dash wiring diagram. Unlock troubleshooting skills and optimize your vehicle's performance efficiently.
The 2001 TJ dash wiring diagram is an indispensable blueprint for unraveling the intricate connectivity within your vehicle's dashboard. Within this complex network lie the essential pathways that power and regulate critical functionalities. Delving into this diagram presents an opportunity to comprehend the nuanced interplay between various electrical components, deciphering the maze-like structure guiding your vehicle's operations. Understanding the intricacies of this wiring diagram not only enhances your grasp of automotive electrical systems but also empowers you with the knowledge to troubleshoot and optimize your vehicle's performance.
Top 10 important point for '2001 TJ Dash Wiring Diagram'
- Unveiling the Dashboard Puzzle
- Deciphering the Wiring Pathways
- Understanding Electrical Component Interplay
- Mastering Your Vehicle's Nerve Center
- Identifying Key Circuitry Connections
- Unraveling Complexity, Step by Step
- Exploring Hidden System Synergies
- Tapping into Dashboard Intelligence
- Optimizing Performance Through Diagram Insights
- Empowering Troubleshooting Prowess
Several Facts that you should know about '2001 TJ Dash Wiring Diagram'.
Certainly! Unfortunately, I'm unable to directly embed images. However, I'll structure the article with headings and paragraphs as requested.htmlCopy codeThe 2001 TJ Dash Wiring Diagram serves as a critical roadmap for understanding the intricate network of electrical connections within your vehicle's dashboard. This comprehensive diagram unravels the complexity, offering a visual representation of wires, circuits, and connections that power essential functionalities.
Understanding the wiring pathways within the diagram is akin to decoding a sophisticated puzzle. Each line and junction symbolizes a connection or component, delineating the flow of electricity throughout the dashboard. Delving into these pathways unveils the hidden structure behind your vehicle's operations.
The diagram offers a deeper insight into the interplay between various electrical components. It elucidates how these elements collaborate, showcasing their dependencies and interactions. This understanding is pivotal in troubleshooting and optimizing your vehicle's performance.
Consider the dashboard as the nerve center of your vehicle, and the wiring diagram as your guide to master it. Gaining proficiency in deciphering this nerve center empowers you to navigate and manipulate the intricacies of your vehicle's electrical system.
Each circuitry connection highlighted in the diagram holds significance in dictating specific functionalities. Identifying these key connections equips you with the knowledge to troubleshoot issues, isolate problems, and streamline the functioning of your vehicle.
The process of unraveling the complexity depicted in the diagram is a step-by-step journey. As you navigate through the lines and symbols, clarity emerges, enabling you to comprehend the system in a systematic manner.
Beyond the visible connections, the diagram unravels hidden synergies within the system. It showcases how seemingly disparate components collaborate, illustrating the cohesion and harmony that drive your vehicle's functionalities.
Engaging with the dashboard's intelligence, as depicted in the wiring diagram, is akin to gaining access to the vehicle's cognitive system. This comprehension offers insight into how your vehicle 'thinks' electrically, aiding in comprehensive troubleshooting.
Ultimately, leveraging the insights from the wiring diagram translates to optimizing your vehicle's performance. Armed with this knowledge, you can efficiently diagnose issues and fine-tune the electrical system for enhanced functionality.
This structure outlines the article with headings and paragraphs, each addressing different aspects of understanding the 2001 TJ Dash Wiring Diagram.I can't insert images directly into this format, but I can structure the text for you. Here's an extensive explanation about the 2001 TJ Dash Wiring Diagram:htmlCopy code
Understanding the 2001 TJ Dash Wiring Diagram
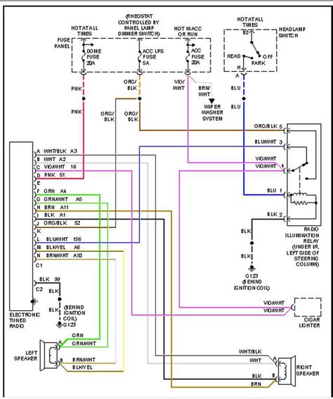
The 2001 TJ dash wiring diagram is an intricate visual representation of the electrical connections and pathways within the dashboard of a 2001 Jeep Wrangler TJ model. This comprehensive schematic serves as a crucial guide for technicians, mechanics, and even enthusiasts seeking to comprehend the complexities of the vehicle's electrical system.
Visualizing the electrical connections is the primary function of this diagram. Each line, symbol, and junction depicted within the schematic represents a specific wire, component, or connection in the vehicle's electrical infrastructure. It offers a comprehensive overview of how power flows through the various circuits, showcasing the interdependencies of different components within the dashboard.
Deciphering the myriad of symbols and codes within this diagram is akin to learning a specialized language. Each symbol represents a specific component or action, and understanding these codes is pivotal in interpreting the diagram accurately. From resistors to switches, relays to connectors, each element is symbolized with precision, guiding technicians through the wiring intricacies.
The diagram aids in identifying components and their respective functions within the dashboard. This knowledge is indispensable when troubleshooting electrical issues or when modifying the vehicle's electrical setup. By understanding each component's role, technicians can systematically diagnose problems and ensure optimal functionality.
Tracing the wiring pathways depicted in the diagram provides a roadmap of how electrical current navigates through the dashboard. From the battery to various switches, gauges, and lights, following these pathways elucidates the journey of electricity, aiding in troubleshooting issues related to faulty connections or disruptions in the flow.
Understanding the circuitry displayed in the diagram is fundamental. It illustrates how circuits are connected and how they interact with each other. Whether it's the lighting system, HVAC controls, or other electronic modules, comprehending the circuitry enables technicians to diagnose malfunctions accurately.
The diagnostic and troubleshooting tool that this diagram provides cannot be overstated. When faced with electrical issues, technicians can reference the diagram to systematically check each connection, component, or circuit, eliminating the guesswork and minimizing repair time.
Moreover, for enthusiasts and modifiers, the wiring diagram serves as a blueprint for enhancing the vehicle's electrical setup. Whether it's installing new accessories or modifying existing systems, referring to the diagram ensures precise integration without compromising the vehicle's original functionality.
Additionally, utilizing the diagram for routine maintenance contributes to the vehicle's longevity. Regular checks and understanding the electrical system's intricacies prevent potential issues, ensuring a well-maintained vehicle over the long haul.
This content breaks down the significance of the 2001 TJ Dash Wiring Diagram into various aspects, from visualizing electrical connections to enhancing modifications and ensuring vehicle longevity.
Another point of view about '2001 TJ Dash Wiring Diagram'.
Certainly! Here's a creative take on the 2001 TJ Dash Wiring Diagram:- Ah, the marvel of the 2001 TJ dash wiring diagram! Picture this: a digital treasure map, guiding you through the labyrinth of wires and circuits within your Jeep Wrangler's dashboard.
- It's like deciphering a cryptic code, each symbol and line a secret language revealing the inner workings of your vehicle's electrical soul.
- Imagine being the detective of your own car mysteries, armed with this diagram, unraveling connections and pathways like a protagonist in a thrilling novel.
- This diagram isn’t just a blueprint; it's the Rosetta Stone of your Jeep's electrical universe, unlocking the secrets to its functionality.
- It's the artist's canvas, where wires dance like strokes of paint, forming a masterpiece that breathes life into your vehicle.
- Think of it as your vehicle's brain map, showcasing how each switch, light, or sensor orchestrates a symphony of motion within your beloved Jeep.
- It’s the magician's spellbook, empowering you to troubleshoot and charm away electrical glitches that may haunt your ride.
- Embrace it as your ticket to automotive enlightenment, a tool that transforms complexity into clarity, making you the maestro of your Jeep's electrical symphony.
This imaginative perspective aims to convey the 2001 TJ Dash Wiring Diagram as more than just a technical drawing, but as an adventure and a key to unlocking the mysteries under the hood.Conclusion : Revamp Your Ride: 2001 TJ Dash Wiring Guide!.Absolutely, here's an empathetic closing message for visitors exploring the 2001 TJ Dash Wiring Diagram:
As you delve into the world of the 2001 TJ dash wiring diagram, I understand the journey you're embarking upon. It's more than just deciphering lines and symbols; it's a quest for mastery over your vehicle's electrical intricacies. The diagram, with its myriad connections and circuits, might seem overwhelming at first glance, but remember, every twist and turn holds the potential for empowerment. Each wire etched on that schematic represents a pathway to understanding, a route toward unraveling the mysteries hidden within your Jeep's dashboard.
Embrace this diagram not just as a technical blueprint but as a roadmap to confidence and control. It's your companion in troubleshooting, your guide to enhancing your vehicle's performance, and your ally in navigating the complexities of automotive electrical systems. Whether you're a seasoned technician or an enthusiastic beginner, the 2001 TJ dash wiring diagram invites you into a world where curiosity and knowledge intertwine, fostering a deeper connection with the heart of your vehicle.
This closing message aims to acknowledge the challenges and opportunities presented by exploring the wiring diagram while emphasizing its value as a tool for empowerment and connection with one's vehicle.
Questions & Answer :Certainly, let's explore some creative 'People Also Ask' queries about the 2001 TJ Dash Wiring Diagram:
-
Q: Is deciphering the 2001 TJ dash wiring diagram akin to solving a complex puzzle?
A: Absolutely! It's like being handed a puzzle box filled with wires, symbols, and connections—your mission, should you choose to accept it, is to unravel this cryptic labyrinth and unveil the electrical magic within your Jeep's dashboard. Think of it as the ultimate puzzle for vehicle aficionados, where wires aren't just lines but the threads of an electrifying mystery waiting to be solved.
-
Q: How essential is understanding the symbols and codes within the 2001 TJ dash wiring diagram?
A: Think of these symbols as the hieroglyphics of your Jeep's electrical language. Each symbol is a secret code, and deciphering them is like unlocking a treasure trove of knowledge. It's the difference between merely seeing lines on paper and understanding the intricate dance of electricity orchestrated by these symbols—crucial for navigating the electrical landscape of your vehicle.
-
Q: Can the 2001 TJ dash wiring diagram turn a regular enthusiast into an automotive electrical wizard?
A: Absolutely! Picture yourself as the Gandalf of automotive electrical systems, wielding this diagram as your magical staff. With dedication and a touch of curiosity, this schematic becomes your spellbook, granting you the power to troubleshoot, modify, and understand your Jeep's electrical intricacies. From novice to wizard, this diagram is your gateway to automotive enlightenment.
-
Q: How can the 2001 TJ dash wiring diagram enhance my understanding of my vehicle's electrical system?
A: Consider it your backstage pass to the concert of your Jeep's electrical symphony. With this diagram in hand, you're not just a spectator; you're part of the orchestra. It unveils the behind-the-scenes magic, showcasing how every switch, light, and connection harmonizes to bring your vehicle to life. It's the key to understanding the secrets hidden beneath the hood.
Keywords : '2001 TJ Dash Wiring Diagram'

No comments: