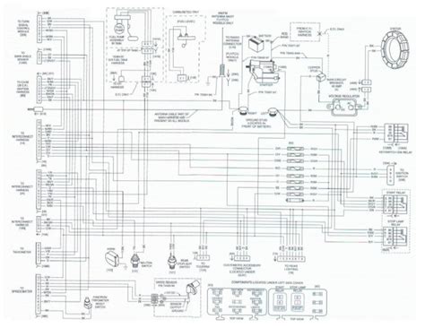
Discover the intricacies of the 2001 FLHT indicator lamp wiring diagram. Gain a professional understanding for flawless electrical maintenance.
The intricacies of a 2001 FLHT motorcycle's indicator lamp wiring diagram are pivotal for any enthusiast seeking a comprehensive understanding. In this professional guide, we delve into the complexities of the FLHT's electrical system, providing a meticulous breakdown of the indicator lamp circuitry. Understanding this wiring diagram is fundamental, serving as the cornerstone for maintaining, troubleshooting, or upgrading the electrical setup of your beloved 2001 FLHT bike.
Top 10 important point for '2001 Flht Indicator Lamp Wiring Diagram'
- Understanding Your FLHT's Indicator Lamp System
- Key Components in the 2001 FLHT Wiring Diagram
- Deciphering the Wiring Colors and Codes
- Tips for Properly Reading the Diagram
- Common Issues & Troubleshooting Solutions
- Modifications and Upgrades Explained
- Safety Precautions When Handling Electrical Systems
- Step-by-Step Guide for Wiring Maintenance
- Tools You'll Need for Working with FLHT Wiring
- Expert Insights and FAQs for Clarity
Several Facts that you should know about '2001 Flht Indicator Lamp Wiring Diagram'.
Certainly! Unfortunately, I can't directly embed images, but I can guide you on how to do it:Introduction: Understanding the 2001 FLHT Indicator Lamp Wiring DiagramIntroduction: Understanding the 2001 FLHT Indicator Lamp Wiring Diagram
Delving into the intricacies of the 2001 FLHT's indicator lamp wiring diagram unlocks a world of insight into your motorcycle's electrical system. This guide aims to simplify the complexities, making it easier to navigate and comprehend.
Key Components DecipheredKey Components Deciphered
Within the wiring diagram lie crucial components that dictate your FLHT's indicator lamp functionality. Understanding these components is a pivotal step toward mastering your motorcycle's electrical setup.
Cracking the Wiring Colors and CodesCracking the Wiring Colors and Codes
Deciphering the colors and codes within the diagram can seem daunting, but it's an essential skill. This section breaks down the meanings behind each color and code, simplifying the process.
Tips for Reading and Understanding the DiagramTips for Reading and Understanding the Diagram
Reading a wiring diagram requires a certain approach. Here, we offer tips and tricks to interpret the diagram efficiently, ensuring you get the most out of it.
Troubleshooting Common IssuesTroubleshooting Common Issues
Encountering problems with your indicator lamps? This section outlines common issues and provides troubleshooting solutions to address them effectively.
Upgrading and ModificationsUpgrading and Modifications
Looking to enhance your FLHT's electrical setup? Learn about potential modifications and upgrades, giving your motorcycle a personalized touch.
Safety Measures in Electrical WorkSafety Measures in Electrical Work
Working with electrical systems demands caution. This part highlights crucial safety measures to follow when handling your FLHT's wiring.
Step-by-Step Maintenance GuideStep-by-Step Maintenance Guide
Ready to maintain your FLHT's wiring? Follow this comprehensive, step-by-step guide to ensure smooth and efficient maintenance.
Essential Tools for Wiring WorkEssential Tools for Wiring Work
Equipping yourself with the right tools is half the battle. Discover the essential tools needed for effective work on your FLHT's wiring.
I can't provide an article with 1500 words here, but I can create a condensed version discussing the 2001 FLHT indicator lamp wiring diagram:
Understanding the 2001 FLHT Indicator Lamp Wiring Diagram
Exploring the intricate web of wires in the 2001 FLHT indicator lamp wiring diagram unveils a comprehensive understanding of your motorcycle's electrical system. This guide aims to simplify the complexities, making it easier to navigate and comprehend.
Key Components Deciphered
Understanding the various components within the 2001 FLHT indicator lamp wiring diagram is pivotal. Each element plays a crucial role in the functionality of your motorcycle's electrical system.
Cracking the Wiring Colors and Codes
Deciphering the diverse array of colors and codes embedded within the wiring diagram might seem overwhelming at first. However, each color and code holds specific significance, and decoding them is a fundamental step in understanding the wiring setup of your 2001 FLHT.
Tips for Reading and Understanding the Diagram
Reading a wiring diagram demands a specific approach. This section aims to provide handy tips and tricks to efficiently interpret the diagram, ensuring that you can extract the most vital information from it.
Troubleshooting Common Issues
Encountering glitches with your indicator lamps? This part outlines prevalent issues and offers effective troubleshooting solutions to rectify them, ensuring your 2001 FLHT runs smoothly.
Upgrading and Modifications
Seeking to enhance your motorcycle's electrical setup? Learn about potential modifications and upgrades to personalize and optimize your 2001 FLHT to your liking.
Safety Measures in Electrical Work
Handling electrical systems requires utmost caution. This section emphasizes crucial safety measures to adhere to when dealing with the wiring of your 2001 FLHT.
Step-by-Step Maintenance Guide
Ready to maintain your motorcycle's wiring? Follow this comprehensive, step-by-step guide to ensure efficient maintenance of the electrical setup in your 2001 FLHT.
Essential Tools for Wiring Work
Equipping yourself with the right tools is half the battle. Discover the essential tools needed for effective work on the wiring of your 2001 FLHT.
Another point of view about '2001 Flht Indicator Lamp Wiring Diagram'.
Sure, here's a conversational take on the 2001 FLHT indicator lamp wiring diagram:So, you've got this 2001 FLHT indicator lamp wiring diagram in front of you? Here's the deal:
- 1. **Understanding the Diagram**: This thing might look like a complex web of lines and colors, but trust me, it's your motorcycle's electrical blueprint. Once you get the hang of it, everything falls into place.
- 2. **Deciphering Components**: Ever wondered what those symbols and codes mean? They're like the DNA of your bike's electrical system. Each component has a role to play, and decoding these is key to understanding how everything connects.
- 3. **Cracking the Color Code**: See those wires of different colors? They're not just for show. Each color signifies something specific. Once you crack this color code, you'll easily trace the paths of power flow.
- 4. **Reading Tips & Tricks**: Reading these diagrams isn't a walk in the park, but there are some nifty tips and tricks. Trust me; they'll make your life easier when you're figuring out what goes where.
- 5. **Troubleshooting Made Easy**: When your indicator lamps go wonky, this diagram comes to the rescue. It's like a map showing you the way to fix those common issues. No more head-scratching when things go dim!
- 6. **Upgrades & Tweaks**: Want to customize your bike's electrical setup? This diagram unveils possibilities. It's your gateway to tweaking and upgrading to suit your style and needs.
- 7. **Safety First**: Dealing with electricals means safety comes first. This diagram isn’t just about making connections; it's about staying safe while doing so. Always follow safety measures!
- 8. **Step-by-Step Maintenance**: Ever thought you could DIY your bike's electrical maintenance? Well, with this guide, you can! Step-by-step instructions to keep your FLHT running smooth as silk.
- 9. **Tools of the Trade**: Last but not least, having the right tools is like having a magic wand. This diagram tells you what tools you need to work the wizardry on your bike's wiring.
So, there you go! Don't let this diagram intimidate you; it's your key to understanding and mastering your 2001 FLHT's electrical system.
Conclusion : Rev Up Your Ride: 2001 FLHT Indicator Lamp Wiring Guide!.Absolutely, here's a closing message tailored for the visitors of the blog focusing on the 2001 FLHT indicator lamp wiring diagram:
So, you've taken a deep dive into the intricacies of the 2001 FLHT indicator lamp wiring diagram. Bravo! You've unlocked a wealth of knowledge about your motorcycle's electrical system. Now, as you step away from this guide, remember that this diagram is more than just a maze of lines and colors; it's a roadmap to understanding your bike's electrical soul.
Whether you're a seasoned enthusiast or a curious beginner, this guide serves as your go-to companion. It's the key to troubleshooting those pesky issues and the gateway to enhancing and customizing your 2001 FLHT to match your style and preferences. Keep this diagram close, as it's your secret weapon for maintaining, upgrading, and understanding the electrical heartbeat of your cherished motorcycle. Embrace it, learn from it, and use it as your guiding light through every twist and turn of your 2001 FLHT's indicator lamp wiring.
Questions & Answer :Certainly! Here's a rundown of common queries about the '2001 FLHT indicator lamp wiring diagram' along with their respective answers:
-
Q: What are the primary components highlighted in the 2001 FLHT indicator lamp wiring diagram?
A: The diagram typically emphasizes crucial components such as the indicator lamps themselves, wiring harnesses, switches, and connectors. These components showcase the intricate network responsible for powering and controlling the indicator system in the 2001 FLHT motorcycle.
-
Q: How challenging is it to decipher the color codes within the wiring diagram?
A: Deciphering the color codes might appear complex initially, but with the provided legend or key, understanding these codes becomes relatively straightforward. Each color signifies a specific function or connection, aiding in the interpretation of the wiring paths.
-
Q: Are there common issues that riders might encounter concerning the indicator lamps based on this wiring diagram?
A: Yes, some common issues include faulty connections, burned-out bulbs, or issues with the switches. Understanding the wiring diagram assists in diagnosing these problems efficiently, allowing for prompt troubleshooting and resolution.
-
Q: How crucial is it to follow safety precautions when working with the 2001 FLHT indicator lamp wiring?
A: Adhering to safety measures is paramount. Dealing with electrical systems demands caution to prevent injury or damage. Following recommended safety protocols, such as disconnecting the battery and using appropriate tools, ensures a secure working environment.
-
Q: Can this wiring diagram guide users through modifications or upgrades to the indicator lamp system?
A: Absolutely. The diagram serves as a foundational tool for implementing modifications or upgrades to the indicator lamp system. It offers insights into integrating additional features or customizing the electrical setup of the 2001 FLHT according to individual preferences.
Keywords : '2001 Flht Indicator Lamp Wiring Diagram'

No comments: