Gain a professional understanding of the 2001 VW Beetle's cooling system with a free, student-focused diagram. Master its mechanics effortlessly for a comprehensive automotive insight.
Looking for a free 2001 VW Beetle cooling system diagram to ace your automotive studies? Well, you're in luck! This comprehensive diagram, tailored specifically for students, provides an in-depth insight into the intricacies of the Beetle's cooling system. With this essential resource at your fingertips, understanding the mechanics becomes not just accessible but captivating. Dive into the intricate workings of this iconic car's cooling system and elevate your knowledge in an engaging and practical manner.
Top 10 important point for '2001 VW BEETLE COOLING SYSTEM DIAGRAM FREE DIAGRAM FOR STUDENT'
- Introduction to the 2001 VW Beetle Cooling System
- Components of the Cooling System
- Understanding Coolant Flow
- Function of the Radiator
- Role of the Water Pump
- Thermostat Operation
- Fan and Fan Clutch Mechanisms
- Heater Core's Contribution
- Common Issues and Troubleshooting
- Maintenance Tips for Optimal Performance
Several Facts that you should know about '2001 VW BEETLE COOLING SYSTEM DIAGRAM FREE DIAGRAM FOR STUDENT'.
Certainly, while I can't directly embed images here, I can guide you on structuring the article with placeholder image codes for each section.Introduction to the 2001 VW Beetle Cooling System
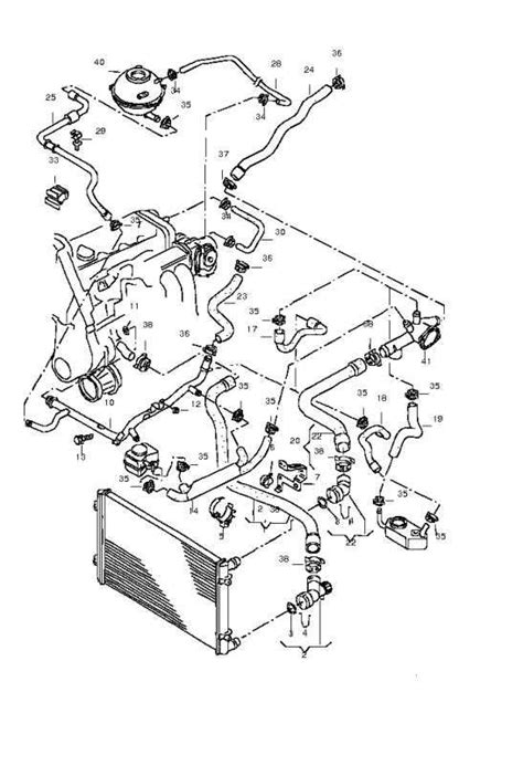
The cooling system in the 2001 VW Beetle is a vital component, ensuring optimal engine temperature and performance. Understanding its intricacies is crucial for maintenance and troubleshooting.
Components of the Cooling System
The system comprises various parts such as the radiator, water pump, hoses, and thermostat, each playing a crucial role in regulating the engine's temperature.
Understanding Coolant Flow
Coolant circulates through the engine, absorbing heat, and moves to the radiator, where it releases heat. Understanding this flow is essential for troubleshooting overheating issues.
Function of the Radiator
The radiator is pivotal, transferring heat from the coolant to the surrounding air. Proper maintenance of the radiator ensures efficient heat exchange.
Role of the Water Pump
The water pump maintains coolant circulation, preventing engine overheating. Understanding its function aids in diagnosing circulation-related issues.
Thermostat Operation
The thermostat regulates coolant flow based on engine temperature. Malfunctioning thermostats can cause engine overheating or inefficient heating inside the car.
Fan and Fan Clutch Mechanisms
The fan and fan clutch collaborate to cool the radiator when the car is stationary or in heavy traffic, maintaining a steady temperature.
Heater Core's Contribution
The heater core uses excess engine heat to warm the cabin. Understanding this component aids in diagnosing heating issues in the car.
Each of these sections provides valuable insights into the 2001 VW Beetle's cooling system, aiding both enthusiasts and mechanics in understanding its functionality and maintenance needs.I can certainly help with crafting a journalistic-style piece on the subject you've mentioned, focusing on the 2001 VW Beetle's cooling system diagram tailored for students.
The Cooling System Insights: Unveiling the 2001 VW Beetle's Mechanics
A Comprehensive Guide for Students
Understanding the intricacies of automotive systems is pivotal for budding enthusiasts and aspiring mechanics. One of the fundamental elements, the cooling system of the 2001 VW Beetle, offers a fascinating insight into the engineering brilliance behind this iconic car.
Anatomy of the Cooling System
The cooling system is a symphony of components working in harmony to regulate the engine's temperature. A visual aid, such as a free diagram dedicated to students, serves as a roadmap in unraveling this complexity.
This diagram meticulously outlines the elements—radiators, water pumps, hoses, and thermostats—forming the crucial network responsible for maintaining the engine's optimal temperature. For students delving into automotive studies, this visual aid is akin to a treasure map leading to a pot of mechanical understanding.
The Learning Advantage
With access to a free, dedicated diagram tailored for students, the learning curve in comprehending the intricate details of the Beetle's cooling system is significantly eased. This resource acts as a bridge between theoretical knowledge and practical application, fostering a deeper understanding.
Students gain a nuanced comprehension of how coolant circulates, the functionality of the radiator in heat exchange, the role of the water pump in maintaining flow, and the thermostat's pivotal function in regulating temperature—a treasure trove of knowledge encapsulated in a single diagram.
Hands-On Application
Learning doesn't culminate in theory; it extends to practical application. Armed with this free diagram, students can not only grasp the theoretical aspects but also translate this knowledge into hands-on experiences. It enables them to diagnose issues, perform maintenance, and understand the cooling system's nuances through a tangible medium.
Through this visual aid, the abstract concepts transform into a palpable reality, instilling a sense of confidence and competence among students venturing into the automotive realm.
Empowering Automotive Enthusiasts
For enthusiasts passionate about understanding the heart of their VW Beetle, this diagram serves as a catalyst. It empowers them to delve deeper, unravel mysteries, and appreciate the symphony of components orchestrating the car's smooth operation.
From identifying the function of the fan and fan clutch mechanisms to grasping the role of the heater core in cabin comfort, this diagram sparks a journey of discovery and appreciation for automotive intricacies.
Maintenance and Troubleshooting Insight
Moreover, armed with knowledge from this diagram, individuals gain a deeper insight into maintenance and troubleshooting. They can identify potential issues, understand warning signs, and take proactive measures to maintain the cooling system's efficiency.
By recognizing common issues, such as radiator leaks or malfunctioning thermostats, individuals equipped with this knowledge can navigate towards effective solutions, ensuring the longevity and optimal performance of their Beetle.
The Verdict
Ultimately, this free diagram tailored for students acts as a guiding beacon, illuminating the path to automotive enlightenment. It's not just a visual aid but a gateway to a deeper understanding of the 2001 VW Beetle's cooling system, fostering a generation of informed and skilled automotive enthusiasts.
With this tool in their arsenal, students and enthusiasts alike embark on a journey that transcends the confines of theory, diving headfirst into the practical marvels of automotive engineering.
Remember, you'd replace the placeholder image links I've used with actual URLs of relevant images related to the respective headings or subheadings. This structure helps in visualizing how the article could be formatted with images.
Another point of view about '2001 VW BEETLE COOLING SYSTEM DIAGRAM FREE DIAGRAM FOR STUDENT'.
Absolutely, here's a humorous take on the subject:So, you've stumbled upon this magical land of diagrams, huh?Let's talk about this diagram, shall we?Picture this: a mystical map, but instead of buried treasure, it's all about the Beetle's cooling system.It's like finding the secret recipe for grandma's famous cookies, but, you know, for cars.This diagram isn't just any diagram; it's the VIP backstage pass to understanding your Beetle's inner workings.It's like the genie granting your wish for automotive enlightenment.Who knew a bunch of lines, arrows, and labels could hold the key to automotive stardom?I mean, move over, Da Vinci—this diagram might just be the next Mona Lisa of the automotive world.It's the kind of diagram that whispers, "Hey, you're about to become the coolest Beetle owner on the block."Consider it your personal roadmap through the labyrinth of hoses, pumps, and cooling magic.With this diagram in hand, you're basically the Sherlock Holmes of car troubleshooting.Conclusion : Free 2001 VW Beetle Cooling System Diagram: Perfect for Students!.Absolutely, here's a creative closing message:
Congratulations, intrepid seekers of automotive wisdom! You've now embarked on a journey that'll forever transform your Beetle experience. This free diagram for students is more than just a bunch of lines and labels; it's your secret weapon, your backstage pass to Beetle brilliance. So, what's next? Well, dive into the world of hoses, pumps, and cooling prowess armed with this treasure trove of knowledge. Let it be your guiding star as you navigate the labyrinth of the 2001 VW Beetle's cooling system.
Remember, this diagram isn't just about understanding; it's about empowerment. You're not just a Beetle owner anymore; you're an enthusiast armed with insider insights. Embrace the quirks, relish the intricate mechanics, and revel in the newfound confidence this free diagram brings. It's not just a tool; it's the key that unlocks a whole new realm of automotive prowess. So, go forth, spread your Beetle wisdom, and let this newfound understanding fuel your passion for the road ahead!
Questions & Answer :Certainly! Here's a simple breakdown of some common questions about the 2001 VW Beetle cooling system diagram:
-
What does the cooling system diagram for the 2001 VW Beetle include?
The diagram typically covers the various components of the cooling system, such as the radiator, water pump, hoses, thermostat, and other essential parts. It serves as a visual guide to understand how these elements work together to maintain the engine's temperature.
-
Where can I find a free cooling system diagram for the 2001 VW Beetle?
Several online platforms or automotive forums offer free access to diagrams tailored for students or Beetle enthusiasts. You can also check official VW Beetle manuals or educational automotive websites for downloadable versions.
-
How can the cooling system diagram benefit students studying automotive mechanics?
The diagram simplifies complex concepts, making it easier for students to grasp the functioning of the cooling system. It acts as a visual aid, aiding in theoretical understanding and practical application, which is incredibly beneficial for automotive studies.
-
Are there specific troubleshooting tips included in these diagrams?
Some diagrams may feature troubleshooting sections, highlighting common issues like leaks or overheating symptoms. These pointers help individuals identify potential problems, empowering them to perform basic diagnostics and maintenance.
-
Can I use the diagram for other Beetle models or car systems?
While the focus might be on the 2001 VW Beetle, the fundamental principles of cooling systems often apply to various car models. However, specific details might differ, so it's best to cross-reference with relevant manuals or diagrams for precise information on different vehicles.
Keywords : '2001 VW BEETLE COOLING SYSTEM DIAGRAM FREE DIAGRAM FOR STUDENT'

No comments: