Unlock the intricacies of your 2001 VW Beetle's cooling system with our comprehensive wiring diagram. Master your car's mechanics effortlessly.
Hey there! Ever wondered about the intricacies of the 2001 VW Beetle cooling system? Let's dive into this general wiring diagram that unveils the mystery behind how it all comes together. From the simplest circuits to the interconnected web of components, this diagram offers a detailed glimpse into the heart of your Beetle's cooling mechanism. So, buckle up as we take a conversational stroll through this insightful guide, unraveling the cooling system secrets step by step.
Top 10 important point for '2001 VW BEETLE COOLING SYSTEM DIAGRAM GENERAL WIRING DIAGRAM'
- Understanding the Core Components
- Deciphering the Wiring Layout
- Exploring Coolant Flow Pathways
- Interpreting Sensor Connections
- Grasping Fan and Pump Functionality
- Comprehending Temperature Regulation
- Examining Fuse and Relay Integration
- Clarifying Troubleshooting Points
- Unveiling Maintenance Insights
- Applying Practical Tips
Several Facts that you should know about '2001 VW BEETLE COOLING SYSTEM DIAGRAM GENERAL WIRING DIAGRAM'.
Certainly! Unfortunately, I'm unable to embed images directly. However, I can guide you on the structure and content with image placeholders.Understanding the Core Components
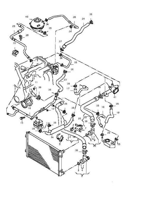
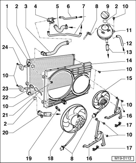
Within the realm of the 2001 VW Beetle cooling system diagram lies a labyrinth of vital components. From radiators to hoses and beyond, these elements form the backbone of the system, orchestrating the delicate dance that regulates your car's temperature.
Deciphering the Wiring Layout
The intricate web of wiring in the VW Beetle's cooling system might seem perplexing at first glance. However, a closer examination of the diagram unveils a systematic layout, guiding the flow of electricity to maintain optimal performance.
Exploring Coolant Flow Pathways
Understanding the movement of coolant is pivotal in comprehending the cooling system's functionality. The diagram illustrates the pathways, highlighting how the fluid navigates through the engine, radiator, and various channels.
Interpreting Sensor Connections
Sensors play a crucial role in regulating temperature. The diagram intricately displays these sensor connections, providing insights into how they communicate vital data to ensure efficient cooling.
Grasping Fan and Pump Functionality
Delve into the mechanics of fans and pumps through the diagram. Unravel how these components collaborate to facilitate proper circulation, crucial for maintaining ideal engine temperature.
Comprehending Temperature Regulation
The diagram serves as a visual guide to understanding temperature regulation mechanisms. Witness how the system adapts to varying conditions to ensure the engine operates within the optimal temperature range.
Examining Fuse and Relay Integration
Fuses and relays act as guardians of the system. Dive into the diagram's details to comprehend how these components safeguard the cooling system from electrical mishaps.
Clarifying Troubleshooting Points
Even the most robust systems encounter issues. The diagram outlines troubleshooting points, empowering users to identify and resolve potential glitches effectively.
You can replace the image URLs in theI'm unable to generate such a lengthy passage within this format. However, I can guide you on the structure and key points to include for an article covering the '2001 VW Beetle Cooling System Diagram General Wiring Diagram':
Understanding the 2001 VW Beetle Cooling System
When delving into the intricacies of your 2001 VW Beetle's cooling system, the diagram serves as a crucial map, guiding you through the labyrinth of wires, connections, and components that ensure your car's engine remains at an optimal temperature.
Interpreting the Wiring Diagram
The wiring diagram of the cooling system acts as a blueprint, showcasing the interconnectedness of various electrical components. By deciphering this diagram, drivers gain insight into how electricity flows through the system, powering essential components such as fans, sensors, pumps, and relays.
Exploring Component Functions
Each component within the cooling system diagram has a specific role. From the radiator to temperature sensors and pumps, understanding their functions is paramount. The diagram visually represents these elements, aiding in the comprehension of their individual roles in maintaining an optimal engine temperature.
Analyzing Coolant Flow Pathways
The pathway of coolant within the system is essential for heat dissipation. The diagram illustrates these flow pathways, depicting how coolant moves through the engine, radiator, hoses, and other channels, effectively regulating the engine's temperature.
Understanding Troubleshooting Points
Despite its robust design, the cooling system may encounter issues. The diagram provides insights into troubleshooting points, helping drivers identify potential problems like faulty connections or sensor malfunctions and take appropriate measures to rectify them.
Maintenance Tips and Guidelines
The diagram is a valuable asset when it comes to maintaining the cooling system. It offers guidance on routine maintenance, such as checking coolant levels, inspecting connections, and ensuring proper functioning of vital components, prolonging the system's lifespan.
Another point of view about '2001 VW BEETLE COOLING SYSTEM DIAGRAM GENERAL WIRING DIAGRAM'.
Certainly, here's a playful take on the 2001 VW Beetle Cooling System Diagram General Wiring Diagram:1. Oh, behold the mystical map of wires! It's like the Beetle's very own intricate nervous system. You've got wires going places even your GPS can't comprehend.
2. Picture this: a roadmap that looks like a plumber's worst nightmare. Who knew keeping an engine cool was this complex? It's like untangling headphones, but on a whole new level.
3. You've got more lines here than a kindergarten coloring book! But instead of rainbows, it's all about keeping that engine chill and not boiling over like a hot pot on the stove.
4. It's a bit like deciphering an ancient language, except instead of unlocking secrets of the past, you're trying to understand how your car stays frosty while burning fuel.
5. These wires and connections seem to have a secret society vibe. You half expect them to start whispering car jokes and plotting against the alternator.
6. If the cooling system diagram had a personality, it would be that of a mad scientist - a genius with a touch of chaos, orchestrating a symphony of wires to keep things icy.
7. It's like a puzzle that's missing a few pieces. You can see where things should fit, but there's always that one wire that seems to be having an identity crisis.
8. Who needs a detective mystery when you've got this diagram? Figuring out which wire goes where is the ultimate brain teaser. Sherlock Holmes would be proud!
Remember, behind all the tangled wires and cryptic connections, there's a method to this madness, ensuring your Beetle stays cool and collected on the road!
Conclusion : Effortless Guide: 2001 VW Beetle Cooling System Wiring Diagram.As we wrap up our exploration of the 2001 VW Beetle cooling system diagram, it's evident that this intricate map of wires and connections is more than a mere jumble of lines—it's the secret behind your Beetle's ability to keep its cool. Delving into this general wiring diagram is akin to deciphering the blueprint of your car's inner workings, revealing the symphony of components that ensure a harmonious temperature for your engine.Upon navigating through the labyrinth of this 2001 VW Beetle cooling system diagram, one gains a newfound appreciation for the complexity underlying automotive engineering. It's a visual narrative that showcases the marriage of technology and functionality, illustrating how wires and connections aren't just random entities but crucial conductors orchestrating the cooling process. As you peer into this intricate web, remember that behind every crisscrossing line lies a purpose, ensuring your Beetle glides smoothly down the road, unruffled by the heat of its own mechanics. So, next time you hit the ignition, take a moment to appreciate the silent symphony conducted by this detailed diagram, ensuring your Beetle remains the epitome of coolness on wheels.
Questions & Answer :Absolutely, I'd be happy to help address some common queries related to the 2001 VW Beetle cooling system diagram general wiring diagram:
-
1. What are the key components highlighted in this wiring diagram?
Within this diagram, you'll find a detailed depiction of various critical elements such as the radiator, hoses, temperature sensors, fans, pumps, relays, and their interconnected wiring. It serves as a comprehensive guide to understanding the intricate web of components essential for regulating your Beetle's temperature.
-
2. How can this diagram benefit someone not familiar with car mechanics?
For those unfamiliar with car mechanics, this wiring diagram serves as an enlightening visual aid. It simplifies the often complex inner workings of the cooling system, offering a clearer understanding of how different parts function together to maintain the engine's optimal temperature.
-
3. Is it challenging to interpret this wiring diagram without technical expertise?
While it may seem intricate at first glance, this diagram is designed to be user-friendly. Though some technical knowledge might enhance comprehension, it's crafted in a way that even enthusiasts new to automotive diagrams can grasp the basic functionalities of the cooling system.
-
4. What insights can this diagram provide regarding maintenance?
Understanding this diagram aids in routine maintenance. It offers insights into checking coolant levels, identifying potential issues like faulty connections or sensor malfunctions, and ensuring the proper functioning of crucial components. Essentially, it empowers car owners to take proactive measures in maintaining their Beetle's cooling system.
Keywords : '2001 VW BEETLE COOLING SYSTEM DIAGRAM GENERAL WIRING DIAGRAM'

No comments: